长辈版
无障碍
加入收藏
当前位置:
首页
>
基层政务公开
> 官桥镇人民政府
>
食品药品监管领域
>
食品生产经营监督检查
信息分类:
内容分类:
食品生产经营监督检查
发文日期:
2025-01-27 10:38:08
生成日期:
2025-01-27 10:38:08
生效时间:
废止时间:
发布机构:
官桥镇人民政府
文 号:
名 称:
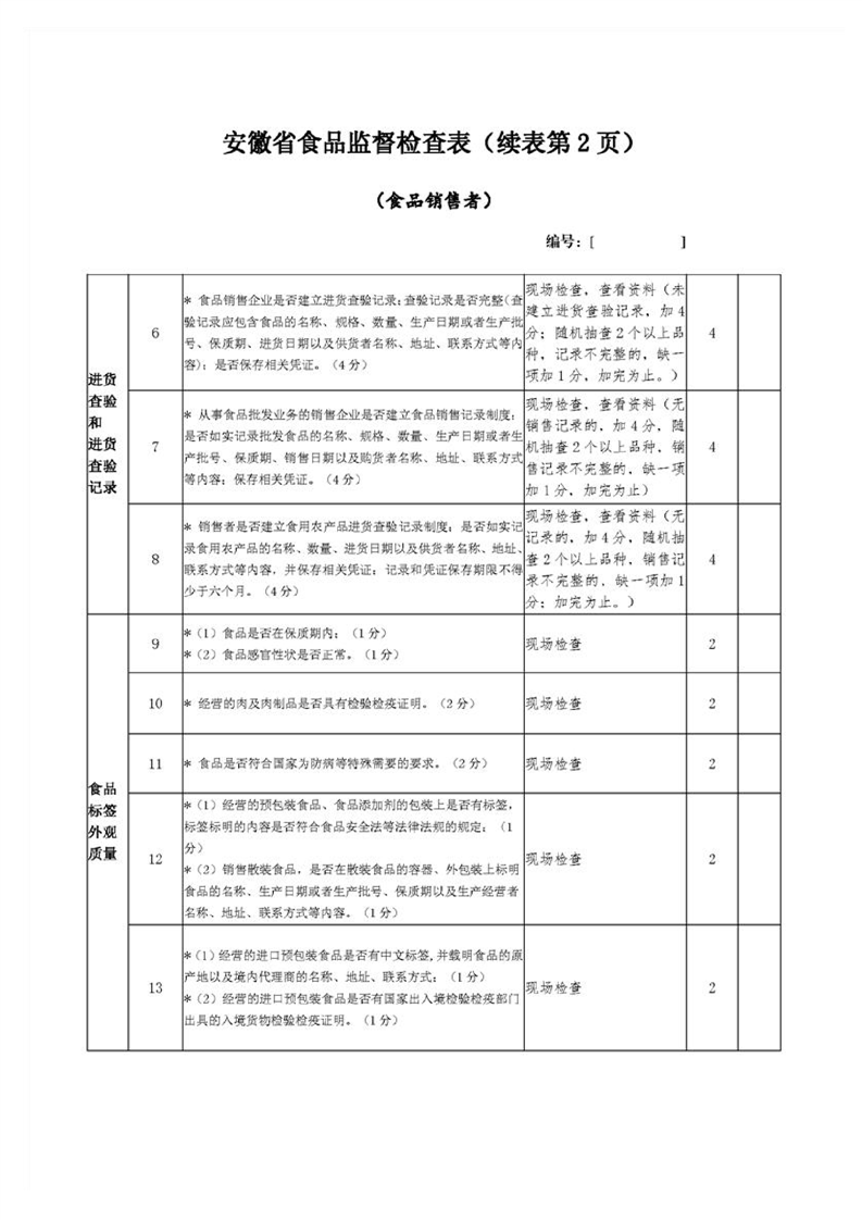
食品生产经营监督检查标准
关
键
词:
食品生产经营监督检查标准
发表时间:
2025-01-27 10:38
信息来源:官桥镇人民政府
作者:官桥镇
阅读人次:
字体:
[
大
中
小
]
保护视力色: