长辈版
无障碍
加入收藏
当前位置:
首页
>
基层政务公开
> 闫集镇人民政府
>
农村危房改造领域
>
农村危房改造相关文件
信息分类:
内容分类:
农村危房改造相关文件
发文日期:
2023-06-15 10:55:24
生成日期:
2023-06-15 10:55:24
生效时间:
废止时间:
发布机构:
闫集镇人民政府
文 号:
名 称:
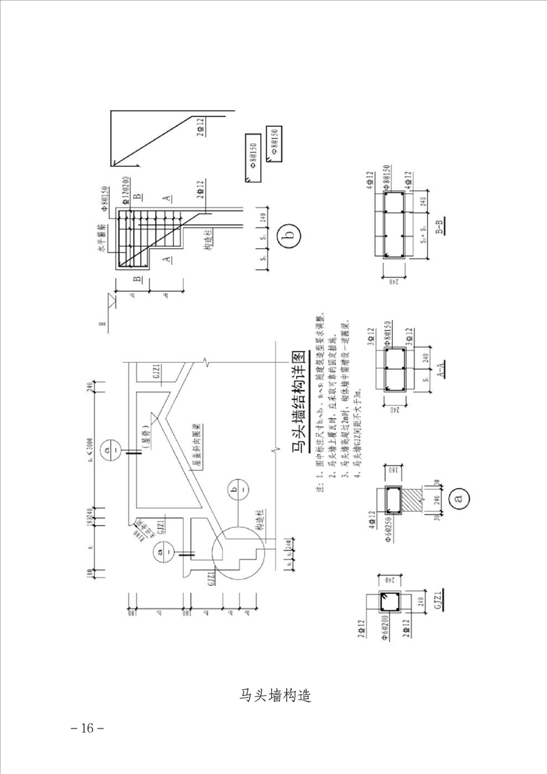
安徽省农房建设抗震技术规定(试行)
关
键
词:
安徽省农房建设抗震技术规定(试行)
发表时间:
2023-06-15 10:55
信息来源:闫集镇人民政府
作者:闫集镇
阅读人次:
字体:
[
大
中
小
]
保护视力色: